您当前的位置:首页 / 产品展示 / 光电纠偏控制器系列 / GXCSB-1超声波纠偏传感器
产品展示
产品详情
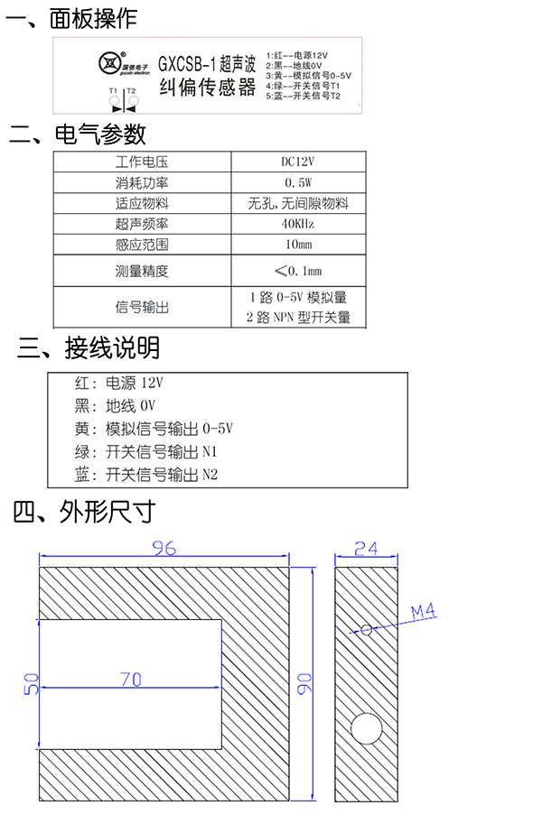
国信牌GXCSB-1超声波纠偏传感器(含3米连接线1条),对高透超薄透明膜的纠偏效果不错,无需任何调节使用方便。
2路NPN型开关量和1路0-5V模拟量输出,适应大多数纠偏控制器的信号要求;
6-24V宽电压输入,适应PLC等设备24V供电的需求,也能适应常规纠偏控制器12V的供电要求;
适应所有无孔物料的纠偏要求,特别是高透超薄透明膜的纠偏。

上一条:GXZJ-D纠偏执行器
下一条:EPC-GX8微电脑纠偏控制器
相关信息